Teslimat noktanızı seçin

Ülke/bölge sayfasının seçimi, fiyat, nakliye seçenekleri ve ürün mevcudiyeti gibi çeşitli faktörleri etkileyebilir.
Kişisel irtibat yetkilisi
igus® Turkey

Güzeller Org. San. Bölg. Galvano

Teknik San. Sit. Cumhuriyet Cad. 2/32

P.K. 41400 Gebze / Kocaeli

+90-444 63 51
+90-262 502 14 19
TR(TR)

Special properties cross slide

High precision, extreme stiffening and precise alignment through CNC production

Available as standard and preload version

100% lubricant-free and completely corrosion-free

Adjustments by trapezoidal thread TR 10x2

Mounting of upper unit with right or left alignment possible

Available accessories (hand wheel, cursor ...)

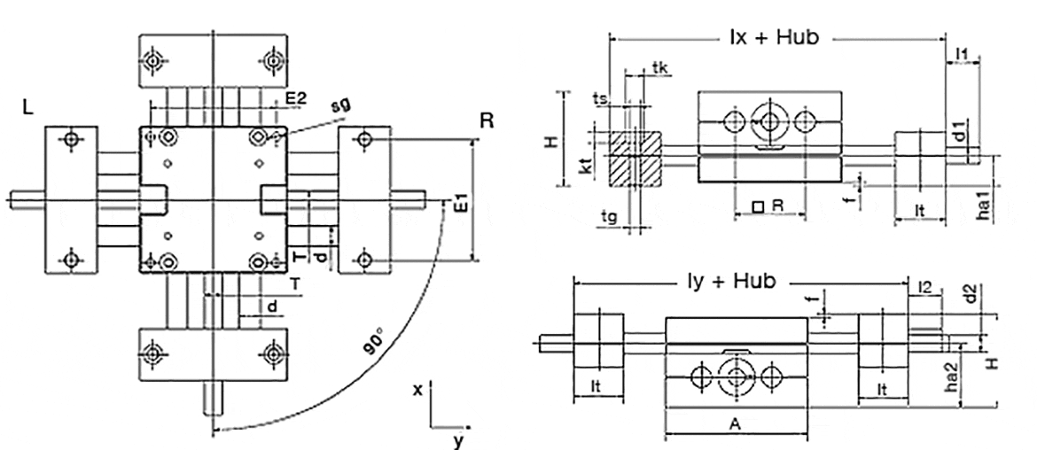
Cross slide

SHT-XY - XY table installation sizes

drylin SHT-XY-08-AWM XY table

SHT-XY-08-AWM

  • Max. stroke length: 150mm
  • Carriage length: 65mm
  • Shaft material: aluminium
  • Shaft diameter: 8mm
drylin SHT-XY-12-AWM XY table

SHT-XY-12-AWM

  • Max. stroke length: 350mm
  • Carriage length: 85mm
  • Shaft material: aluminium
  • Shaft diameter: 12mm

With spring pre-load - PL versions

drylin SHT-XY-12-AWM-PL XY table

SHT-XY-12-AWM-PL

  • Max. stroke length: 350mm
  • Carriage length: 85mm
  • Shaft material: aluminium
  • Shaft diameter: 12mm
  • With pre-load
drylin SHT-XY-20-EWM-PL XY table

SHT-XY-20-EWM-PL

  • Max. stroke length: 500mm
  • Carriage length: 130mm
  • Shaft material: stainless steel
  • Shaft diameter: 20mm
  • With pre-load

SHT/SHT-PL - cross slide


Cross slide lengths and weights [mm]

Order no. A
-0.3
[mm]
H
 
[mm]
E1
±0,15
[mm]
E2
±0,15
[mm]
Base-
length lx
[mm]
Base-
length ly
[mm]
R
 
[mm]
f
 
[mm]
lt
±0,1
[mm]
tk
 
[mm]
ts
 
[mm]
tg
 
kt
 
[mm]
SHT-XY-12 85 56 70 73 145 145 42 2 30 11 6,6 M8 6,4
SHT-XY-08 65 42 52 56 96 96 32 1,5 15,5 10 5,5 M6 7
SHT-XY-12-PL 85 56 70 73 145 145 42 2 30 11 6,6 M8 6,4
SHT-XY-20-EWM-PL 130 86 108 115 202 202 72 2 36 15 9 M10 8,6
Seçilen parça hakkında daha fazla bilgi:
3D CAD 3D CAD
Numune talebi Numune talebi
PDF PDF
Fiyat teklifi isteği Fiyat teklifi isteği
myCatalog myCatalog

Cross slide dimensions [mm]

Order no. sg


d

[mm]
T

l1

[mm]
d1
Standard
d1
Alternativ
l2

[mm]
d2
Standard
d2
Alternativ
ha1

[mm]
ha2

[mm]
W
ha2-ha1
[mm]
SHT-XY-12 M6 12 17 TR10x2 6h9 17 6h9 18 38 20
SHT-XY-08 M5 8 TR6x2/TR6,35x2,54 15,5 TR6x2/TR6,35x2,54 5 15 5 13 29 16
SHT-XY-12-PL M6 12 17 TR10x2 6h9 17 6h9 18 38 20
SHT-XY-20-EWM-PL M8 20 26 TR18x4 - 26 12h9 23 63 40
Seçilen parça hakkında daha fazla bilgi:
3D CAD 3D CAD
Numune talebi Numune talebi
PDF PDF
Fiyat teklifi isteği Fiyat teklifi isteği
myCatalog myCatalog
You can order the hand wheel of the y-axis to be mounted left or right.
Left: SHT-XY-12-AWM-L-200-300 for 200 mm stroke lengths in x-direction and 300 mm in y-direction.
Right: SHT-XY-12-AWM-R-200-300 for 200 mm stroke lenghts in x-direction und 300 mm in y-direction

Technical options for the SHT series

The following options can be delivered for the SHT-XY product range.


More information and cross slide accessories



Talep üzerine teslimat süresi

"Apiro", "AutoChain", "CFRIP", "chainflex", "chainge", "chains for cranes", "ConProtect", "cradle-chain", "CTD", "drygear", "drylin", "dryspin", "dry-tech", "dryway", "easy chain", "e-chain", "e-chain systems", "e-ketten", "e-kettensysteme", "e-loop", "energy chain", "energy chain systems", "enjoyneering", "e-skin", "e-spool", "fixflex", "flizz", "i.Cee", "ibow", "igear", "iglidur", "igubal", "igumid", "igus", "igus improves what moves", "igus:bike", "igusGO", "igutex", "iguverse", "iguversum", "kineKIT", "kopla", "manus", "motion plastics", "motion polymers", "motionary", "plastics for longer life", "print2mold", "Rawbot", "RBTX", "readycable", "readychain", "ReBeL", "ReCyycle", "reguse", "robolink", "Rohbot", "savfe", "speedigus", "superwise", "take the dryway", "tribofilament", "tribotape", "triflex", "twisterchain", "when it moves, igus improves", "xirodur", "xiros" ve "yes" terimleri, igus® SE & Co. KG/ Köln'ün Federal Almanya Cumhuriyeti'nde ve bazı yabancı ülkelerde yasal olarak korunan ticari markalarıdır. Bu liste, igus SE & Co. KG'nin veya igus'un bağlı şirketlerinin Almanya, Avrupa Birliği, ABD ve/veya diğer ülkeler veya yargı bölgelerinde korunan ticari markalarının (örn. bekleyen ticari marka başvuruları veya tescilli ticari markalar) kapsamlı olmayan bir listesidir.

igus® SE & Co. KG, Allen Bradley, B&R, Baumüller, Beckhoff, Lahr, Control Techniques, Danaher Motion, ELAU, FAGOR, FANUC, Festo, Heidenhain, Jetter, Lenze, LinMot, LTi DRiVES, Mitsubishi, NUM, Parker, Bosch Rexroth, SEW, Siemens, Stöber şirketlerinin ve bu web sitesinde adı geçen diğer tüm tahrik üreticilerine ait hiçbir ürünün satışını yapmadığını ifade etmektedir. igus® tarafından sunulan ürünler, igus® SE & Co. KG'nin ürünleridir.