Teslimat noktanızı seçin

Ülke/bölge sayfasının seçimi, fiyat, nakliye seçenekleri ve ürün mevcudiyeti gibi çeşitli faktörleri etkileyebilir.
Kişisel irtibat yetkilisi
igus® Turkey

Güzeller Org. San. Bölg. Galvano

Teknik San. Sit. Cumhuriyet Cad. 2/32

P.K. 41400 Gebze / Kocaeli

+90-444 63 51
+90-262 502 14 19
TR(TR)

Office chain OCO - Tasarım çalışması

"easy" tasarım ile doldurulması basit

The office chain OCO.20 ofis için basit bir enerji tedarik sistemidir. Tanımlanmış bir yarıçapa sahip değildir ve iki yönde hareket ettirilebilir. Ayrıca çok kolay bir şekilde kısaltılabilir veya uzatılabilir. Montaj braketleri zincir bağlantılarına çok benziyor ve bunlar metal masalara montaj edilmek için mıknatıslı şekilde farklı olabilir . Masa bağlantısı için iki küçük deliğin sağlandığı bir vidalı bağlantı da mümkündür.
Hemen bir istek gönderin

Teknolojinizi geliştirin

Teknolojinizi geliştirin

  • Optimize edilmiş dizayn
  • Esnek bağlantı
  • Uzatılması ve kısaltılması kolay
  • Kolay bağlantı için monte edilmiş mıknatıslı montaj braketleri
  •  e-chain®  nin 150N'ye kadar iyi tutma gücü
Maliyeti düşür

Maliyeti düşür

  •  "easy" tasarım sayesinde alet kullanmadan montaj süresinden ve maliyetlerinizden tasarruf edin
  • istenilen uzunlukta sipariş verin
  • düşük maliyetli satınalma
Dayanıklı

Dayanıklı

  • OCO.20 e-chain® tutma kuvvetinin çekme testi: 3D baskılı prototipler, 420 N tutma kuvveti gösteren başarılı çekme testlerinden geçmiştir
Sürdürülebilirlik

Sürdürülebilirlik

  • bisphenol A içermez (BPA-free)
  • % 100 halojensiz, kullanım için özellikle uygun genel binalarında
  • Yaşam döngülerinin sonunda igus  zincir geri dönüşüm programının bir parçası olarak
    enerji zincirlerinizin geri dönüştürülmesini sağlayın. Üreticiden bağımsız olarak. Bir kupon  alabilirsiniz chainge recycling programme voucher
  • igus  küresel plastik endüstrisini  ve yatırımlarını destekler kimyasal geri dönüşüm

Office chain OCO.20


Son derece basit:

Kolay ilkeye göre açılma mekanizması ortada değildir, fakat yan tarafa kademelenmiştir. Zincir bağlantılarını sırayla kurarak yuvalar kademelidir, bu da kabloların kolayca takılmasını sağlar, ancak kablolar aynı zamanda düşemez.
Office chain OCO.20

Metal masalara kolay bağlantı için dahili 
mıknatıslar
Office chain OCO.20

İsteğe bağlı olarak  
vida bağlantısı da mümkündür

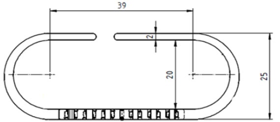
Teknik veriler

Office chain OCO.20 - Teknik veriler


Parça No.İç yükseklikDış yükseklikİç genişlikDış genişlik
OCO.2020 mm25 mm39 mm64 mm

Talep üzerine hazırlanır
 
Hemen bir istek gönderin

Benzer ürünler

Office chain OCR

Office chain OCR

Serbest ara bağlantı ve zincir üzerinde kolay klipsleme için manyetik montaj klipsleri
Office chain ZF14

Office chain ZF14

Kablolar hızlı bir şekilde takılır. e-chain hızlı bir şekilde takılır ve; UL94-V2 sertifikalı
triflex R

3 eksenli enerji zinciri triflex R

Kolay tasarım - basit ve kolay doldurmak için. Yaklaşık olarak  bakla başına +/- 10° torsion

Daha fazla bilgi

Yenilikler 2020

e-chain 2020 yeniliklerine genel bakış

Farklı uygulamalar için 2020 haree-chains yeniliklerini burada bulabilirsiniz.
2020 yeni ürünler kataloğu

Haberler ürün kataloğu 2020

Yeni ürünlerimiz ve ürün yelpazesine eklemeler hakkında ihtiyacınız olan tüm bilgiler ücretsiz katalogda.
Hareketli Kablo Kanalları

Hareketli Kablo Kanalları

Çok farklı kurulum alanları ve ortamlar.  Geniş ürün seçimi - bir kerede doğru çözümü bulun. 36 ay garanti ile

Danışma

Sorularınızı şahsen yanıtlamaktan mutluluk duyarım

Nakliye ve danışmanlık

Şahsen:

Pazartesi-Cuma, sabah 7 - akşam 8 arası.
Cumartesi sabah 8 - akşam 12 arası.

Online:

24h


"Apiro", "AutoChain", "CFRIP", "chainflex", "chainge", "chains for cranes", "ConProtect", "cradle-chain", "CTD", "drygear", "drylin", "dryspin", "dry-tech", "dryway", "easy chain", "e-chain", "e-chain systems", "e-ketten", "e-kettensysteme", "e-loop", "energy chain", "energy chain systems", "enjoyneering", "e-skin", "e-spool", "fixflex", "flizz", "i.Cee", "ibow", "igear", "iglidur", "igubal", "igumid", "igus", "igus improves what moves", "igus:bike", "igusGO", "igutex", "iguverse", "iguversum", "kineKIT", "kopla", "manus", "motion plastics", "motion polymers", "motionary", "plastics for longer life", "print2mold", "Rawbot", "RBTX", "readycable", "readychain", "ReBeL", "ReCyycle", "reguse", "robolink", "Rohbot", "savfe", "speedigus", "superwise", "take the dryway", "tribofilament", "tribotape", "triflex", "twisterchain", "when it moves, igus improves", "xirodur", "xiros" ve "yes" terimleri, igus® SE & Co. KG/ Köln'ün Federal Almanya Cumhuriyeti'nde ve bazı yabancı ülkelerde yasal olarak korunan ticari markalarıdır. Bu liste, igus SE & Co. KG'nin veya igus'un bağlı şirketlerinin Almanya, Avrupa Birliği, ABD ve/veya diğer ülkeler veya yargı bölgelerinde korunan ticari markalarının (örn. bekleyen ticari marka başvuruları veya tescilli ticari markalar) kapsamlı olmayan bir listesidir.

igus® SE & Co. KG, Allen Bradley, B&R, Baumüller, Beckhoff, Lahr, Control Techniques, Danaher Motion, ELAU, FAGOR, FANUC, Festo, Heidenhain, Jetter, Lenze, LinMot, LTi DRiVES, Mitsubishi, NUM, Parker, Bosch Rexroth, SEW, Siemens, Stöber şirketlerinin ve bu web sitesinde adı geçen diğer tüm tahrik üreticilerine ait hiçbir ürünün satışını yapmadığını ifade etmektedir. igus® tarafından sunulan ürünler, igus® SE & Co. KG'nin ürünleridir.