Teslimat noktanızı seçin

Ülke/bölge sayfasının seçimi, fiyat, nakliye seçenekleri ve ürün mevcudiyeti gibi çeşitli faktörleri etkileyebilir.
Kişisel irtibat yetkilisi
igus® Turkey

Güzeller Org. San. Bölg. Galvano

Teknik San. Sit. Cumhuriyet Cad. 2/32

P.K. 41400 Gebze / Kocaeli

+90-444 63 51
+90-262 502 14 19
TR(TR)

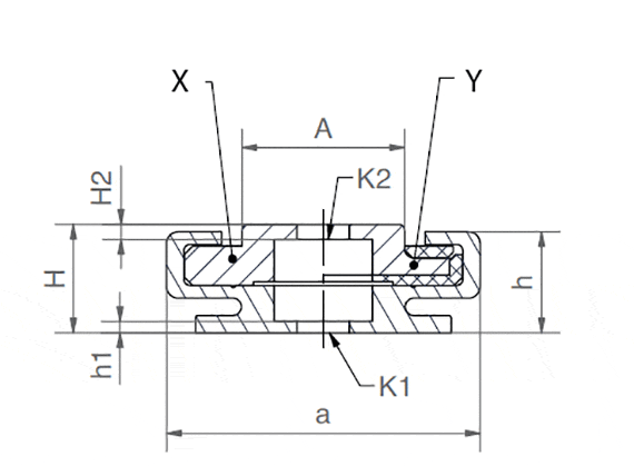
drylin® N - Low profile linear guide system long NK-04-27

Order no. Max. rail lengths a C4 A3 C5=C6 h h1 K1* ly lz Weight of rail Price / m  
  [L max.]       Min. max.       [mm2] [mm2] [g/m]    
24 saatte kargoya verilir NS-01-27 3000 27 60 0 20 20/49,5 9 1,1 M4 6524 588 290 37,21 EUR Alışveriş sepetine ekle
2 hafta içinde kargoya verilir NS-01-27-UNGEBOHRT 3000 27 0 0 0 9 1,1 0 6524 588 290 36,47 EUR Alışveriş sepetine ekle
24 saatte kargoya verilir NS-01-27-AR 3000 27 60 0 20 20/49,5 9 1,1 M4 6524 588 290 48,09 EUR Alışveriş sepetine ekle
Seçilen parça hakkında daha fazla bilgi:
3D CAD 3D CAD
Numune talebi Numune talebi
PDF PDF
Fiyat teklifi isteği Fiyat teklifi isteği
myCatalog myCatalog

For unbored rails please indicate "Unbored" in the remark.
* for cylinder screw with low head

Version 04: Double carriage with through hole

Order no. Weight of carriage    
  [g]    
2 hafta içinde kargoya verilir NW-11-27-80-LLY 25 10,63 EUR Alışveriş sepetine ekle
2 hafta içinde kargoya verilir NW-11-27-80-LLZ 25 10,63 EUR Alışveriş sepetine ekle
2 hafta içinde kargoya verilir NW-11-27-80-LLYZ 25 10,63 EUR Alışveriş sepetine ekle
Seçilen parça hakkında daha fazla bilgi:
3D CAD 3D CAD
Numune talebi Numune talebi
PDF PDF
Fiyat teklifi isteği Fiyat teklifi isteği
myCatalog myCatalog

Version 11: Dimensions [mm] - guide carriages

Part. No. H A C C1 C2 A2 H2 K2 K3 K4 Sp min. Dp Ø min. Weight
  ±0,35                       [g/m]
2 hafta içinde kargoya verilir NW-11-27-80-LLY 9,5 14 80 76 60 0 1,5 0 0 25
2 hafta içinde kargoya verilir NW-11-27-80-LLZ 9,5 14 80 76 60 0 1,5 0 0 25
2 hafta içinde kargoya verilir NW-11-27-80-LLYZ 9,5 14 80 76 60 0 1,5 0 0 25
Seçilen parça hakkında daha fazla bilgi:
3D CAD 3D CAD
Numune talebi Numune talebi
PDF PDF
Fiyat teklifi isteği Fiyat teklifi isteği
myCatalog myCatalog

Ordering of a complete system

Configuration in few steps:

1. Selection of the number of carriages
2. Selection of the type of carriage
3. Entry of the rail length in mm
4. Selection of the carriage options
5. Selection of the rails options.

Hint:

Detailed information can be found below in the drawings as well as in the below-mentioned pages. You can obtain precise specifications on the floating bearing options within the design rules.
1

no floating bearing

2

Floating bearing in z-direction

3

Floating bearing in y-direction

4

Floating bearing in yz-direction

drylin® NK-11-27-80 – complete system

Step 1

Enter the required number of carriages.

technical drawing
No. of carriages:

X = Version: one-piece | Y = Version: multi-piece

24 saatte kargoya verilir
2 hafta içinde kargoya verilir

"Apiro", "AutoChain", "CFRIP", "chainflex", "chainge", "chains for cranes", "ConProtect", "cradle-chain", "CTD", "drygear", "drylin", "dryspin", "dry-tech", "dryway", "easy chain", "e-chain", "e-chain systems", "e-ketten", "e-kettensysteme", "e-loop", "energy chain", "energy chain systems", "enjoyneering", "e-skin", "e-spool", "fixflex", "flizz", "i.Cee", "ibow", "igear", "iglidur", "igubal", "igumid", "igus", "igus improves what moves", "igus:bike", "igusGO", "igutex", "iguverse", "iguversum", "kineKIT", "kopla", "manus", "motion plastics", "motion polymers", "motionary", "plastics for longer life", "print2mold", "Rawbot", "RBTX", "readycable", "readychain", "ReBeL", "ReCyycle", "reguse", "robolink", "Rohbot", "savfe", "speedigus", "superwise", "take the dryway", "tribofilament", "tribotape", "triflex", "twisterchain", "when it moves, igus improves", "xirodur", "xiros" ve "yes" terimleri, igus® SE & Co. KG/ Köln'ün Federal Almanya Cumhuriyeti'nde ve bazı yabancı ülkelerde yasal olarak korunan ticari markalarıdır. Bu liste, igus SE & Co. KG'nin veya igus'un bağlı şirketlerinin Almanya, Avrupa Birliği, ABD ve/veya diğer ülkeler veya yargı bölgelerinde korunan ticari markalarının (örn. bekleyen ticari marka başvuruları veya tescilli ticari markalar) kapsamlı olmayan bir listesidir.

igus® SE & Co. KG, Allen Bradley, B&R, Baumüller, Beckhoff, Lahr, Control Techniques, Danaher Motion, ELAU, FAGOR, FANUC, Festo, Heidenhain, Jetter, Lenze, LinMot, LTi DRiVES, Mitsubishi, NUM, Parker, Bosch Rexroth, SEW, Siemens, Stöber şirketlerinin ve bu web sitesinde adı geçen diğer tüm tahrik üreticilerine ait hiçbir ürünün satışını yapmadığını ifade etmektedir. igus® tarafından sunulan ürünler, igus® SE & Co. KG'nin ürünleridir.